服务热线:138 5880 9399

Multi turn actuator

多回转执行器

智能多回转电动执行器
智能多回转电动执行器

智能多回转电动执行器

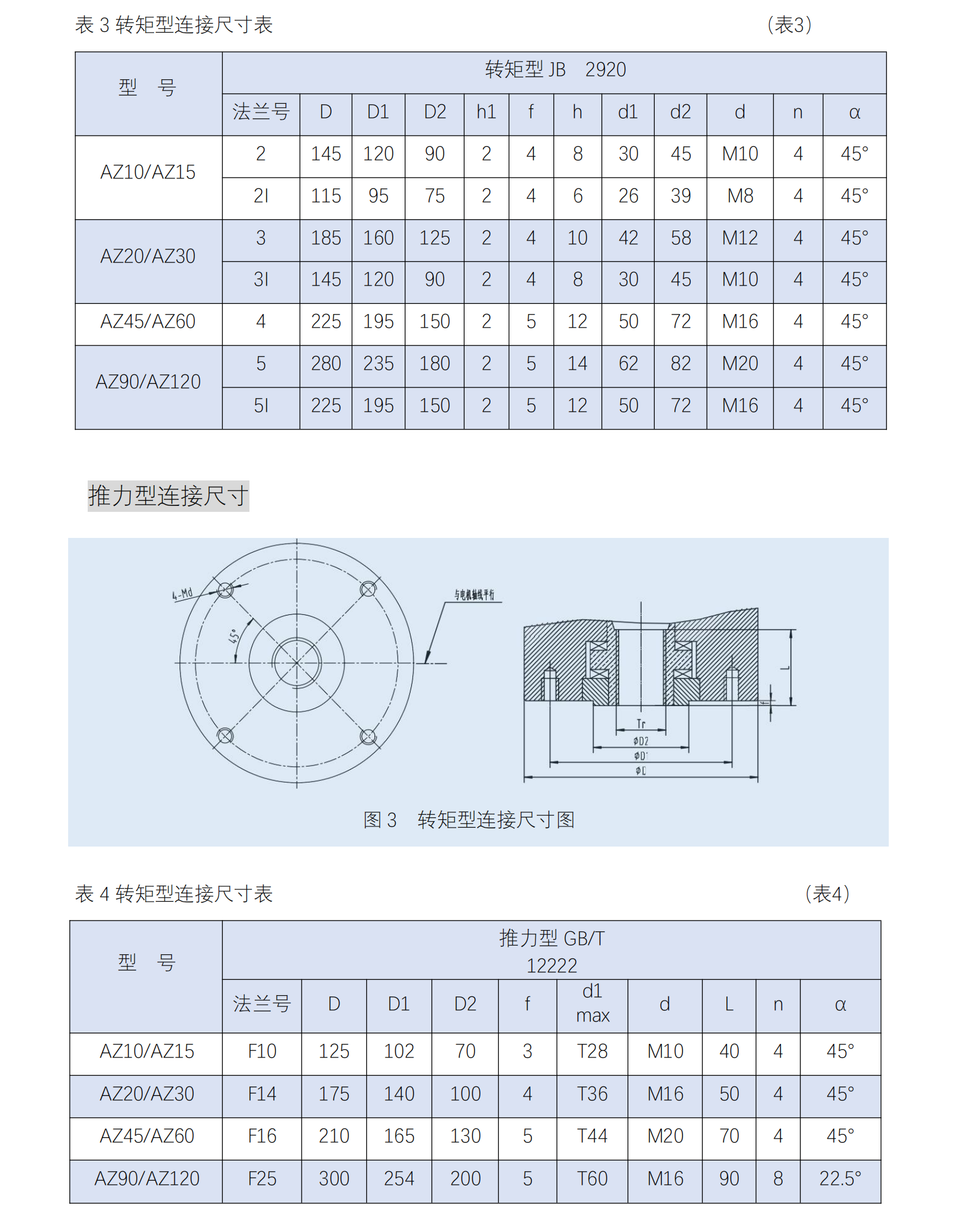
  • 所属类别:电动执行器>多回转执行器
  • 产品描述:

    AZ多回转智能型非侵入式电动执行器,是在吸收国内外最先进技术基础上,为满足不同领域需求而自主研发的新一代产品,是采用轻巧美观的铝合金箱体、集绝对编码器技术可编程单片机技术、红外遥控技术、液晶显示、磁控开关等多种最新自动控制技术及先进的制造技术为一体的控制产品。AZ 系列多回转智能型非侵入式电动执行器主要用于启闭件做直线运动的阀门配套使用,如闸阀、截止阀、隔膜阀、闸门等,实现对阀门的开启、关闭、调节,是阀门实现远控、集控和自控必不可少的驱动装置。具有功能全、性能可靠、控制系统先进、体积小、重量轻、使用维护方便等特点。





暂无相关资料
HOT SALE 热销产品
首页
产品
联系