服务热线:
138 5880 9399
CN
EN
首页
关于敬诺
关于敬诺
企业实拍
资料下载
产品展示
电动执行器
气动执行器
液动执行器
阀门系列
配件
新闻资讯
企业新闻
行业资讯
应用领域
联系我们
Multi turn actuator
多回转执行器
产品目录
Product Catalog
电动执行器
多回转执行器
部分回转执行器
气动执行器
直行程系列
角行程系列
液动执行器
阀门系列
蝶阀
闸阀
球阀
截止阀
控制阀
配件
智能型电动执行器
所属类别:
电动执行器
>
多回转执行器
产品描述:
技术参数
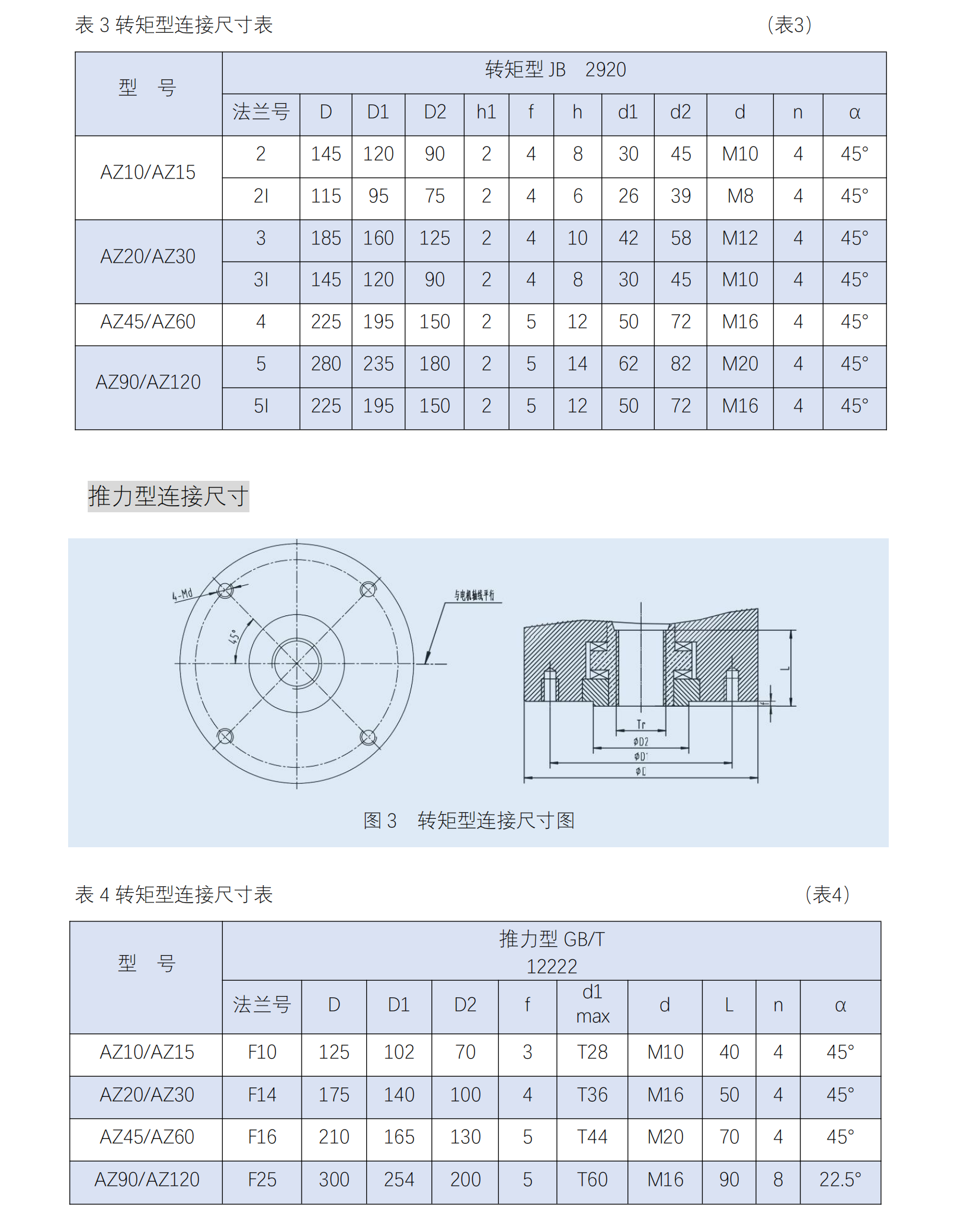
连接尺寸
电路图
资料下载
暂无相关资料
HOT SALE
热销产品
智能电动执行器
防爆型多回转电动执行器直行程电动执行器
开关普通型电动执行器
电动执行器
首页
产品
联系
@/upload/apply/4154012335.jpg,@/upload/apply/3117292462.jpg,