服务热线:138 5880 9399

Butterfly valve

蝶阀

气动手动两作用蝶阀
气动手动两作用蝶阀

气动手动两作用蝶阀

  • 所属类别:阀门系列>蝶阀
  • 产品描述:

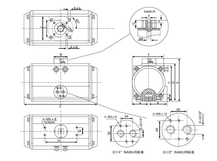
    AT 新型齿轮齿条式气动执行器综合了国内外最新技术,并采用新型材料、新工艺, 结构紧凑、本体轻盈易安装,安全阀五毒,密封性强。用于90度的角的阀门,如蝶阀,球阀等。

AT-气动执行器参数


产品型号: AT-气动执行器

Product model: AT-Pneumatic actuator


公称压力: 0.25-0.8MPA

Nominal pressure:0.25-0.8MPA


环境温度: -20°C~+80°C

Ambient temperature: -20°C~+80°C


材质: 铝合金

Material: aluminum alloy


适用:球阀、蝶阀等阀类

Applicable: Ball valve, Butterfly valve, etc.


   

暂无相关资料
HOT SALE 热销产品
首页
产品
联系