Angular stroke series
角行程系列
服务热线:138 5880 9399
Angular stroke series
角行程系列

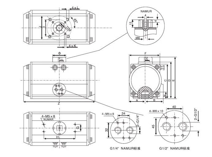
AT-气动执行器参数
产品型号: AT-气动执行器
Product model: AT-Pneumatic actuator
公称压力: 0.25-0.8MPA
Nominal pressure:0.25-0.8MPA
环境温度: -20°C~+80°C
Ambient temperature: -20°C~+80°C
材质: 铝合金
Material: aluminum alloy
适用:球阀、蝶阀等阀类
Applicable: Ball valve, Butterfly valve, etc.

